Strona główna » Osprzęt i akcesoria do ładowaczy i ładowarek » Krokodyle » Krokodyl dwa siłowniki » Części zamienne Metal-Technik Krokodyl 2 siłowniki
Części zamienne Metal-Technik Krokodyl 2 siłownikiCzęści zamienne Metal-Technik Krokodyl 2 siłownikiCzęści zamienne Metal-Technik Krokodyl 2 siłownikiCzęści zamienne Metal-Technik Krokodyl 2 siłowniki
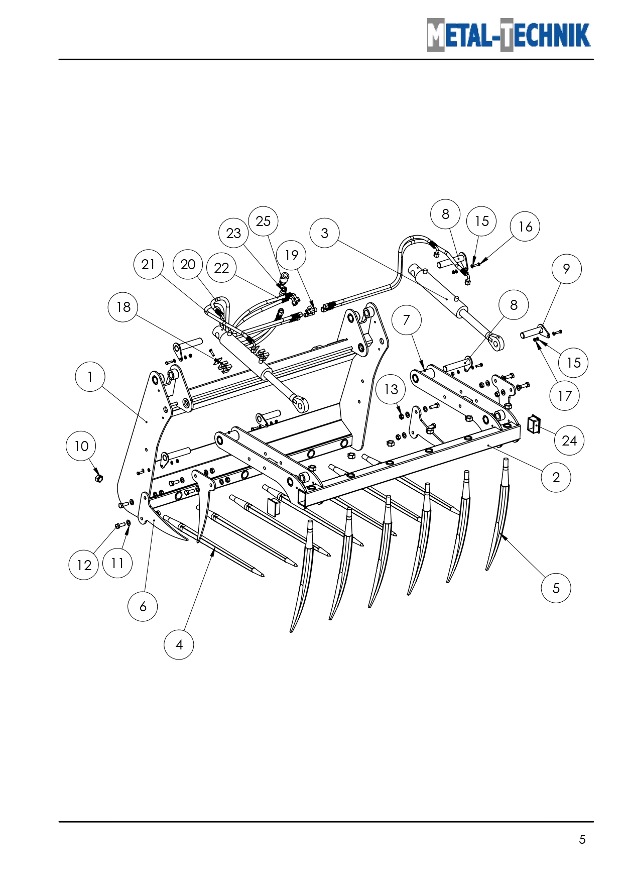
Części zamienne Metal-Technik Krokodyl 2 siłowniki
Części zamienne Metal-Technik Krokodyl 2 siłowniki
Części zamienne Metal-Technik Krokodyl 2 siłowniki
Części zamienne Metal-Technik Krokodyl 2 siłowniki

Części zamienne Metal-Technik Krokodyl 2 siłowniki

Metal-Technik

Dostępność: Dostępny

Koszt wysyłki: od 30,00 zł

Numer katalogowy: Schemat K2S

Kod producenta: Schemat K2S

Stan magazynowy:

Stan produktu: Nowy


Zapytaj o cenę

  • Opis produktu
  • Do pobrania (1)
Części zamienne Metal-Technik Krokodyl 2 siłowniki

Szukasz części zamiennych do swojej maszyny?
  1. Wyszukaj interesujące Ciebie części na poglądowym schemacie technicznym.
  2. Każda część posiada przyporządkowany numer znajdujący się na schemacie.
  3. Następnie, wyślij do nas zapytanie klikając w przycisk "Zapytaj o cenę" lub "Zapytaj o produkt" lub poprzez formularz/mail.
  4. Skontaktujemy się z Tobą w celu realizacji zamówienia.
Katalog części możesz pobrać klikając w przycisk "Do pobrania" znajdujący się nad opisem.


alt

Dane kontaktowe producenta:

Metal-Technik, Gałkówka 12, 18-413 Miastkowo, Polska, e-mail: sklep@metal-technik.eu, telefon: 538685000
    Korzystanie z tej witryny oznacza wyrażenie zgody na wykorzystanie plików cookies. Więcej informacji możesz znaleźć w naszej Polityce Cookies.
    Nie pokazuj więcej tego komunikatu